Choose a country that suits you:Bundor-en

        Choose a country that suits you:Bundor-ru

        不銹鋼波紋補償器

        【產品型號】: JDZ

        【通 徑】: DN50-DN300

        【公稱壓力】: 150LB/PN16

        【適用溫度】: -20℃~350℃

        【適用介質】: 水、油、汽等

        【閥體材質】: 不銹鋼

        咨詢熱線:

        13821179269(微信同號)
        更新時間:2022-11-04 10:14:04

        產品優(yōu)點

        • 主體材質達標

          主體材質化學成分和力學性能完全符合國家標準;

        • 焊接牢固

          所有焊接均為滿焊,確保密封性;

        • 法蘭強度高

          法蘭均采模鍛生產,晶體組織細密,強度高,不會出現晶粒大或不均,硬化裂紋現象;

        • 限位拉桿保護

          加裝限位拉桿,保護不銹鋼波。

        產品介紹

        波紋補償器是現在管道中經常使用的補償元件之一。它主要利用其工作主體不銹鋼波紋管的有效伸縮變形,以吸收管道由熱脹冷縮等原因而產生的尺寸變化,或補償管道的軸向、橫向和角向位移。

        產品參數

        不銹鋼波紋補償器
        名稱 設計及制造 試壓標準 法蘭標準
        參照標準 GB/T 12777 GB/T 12777 GB/T 9113
        ASME B16.5
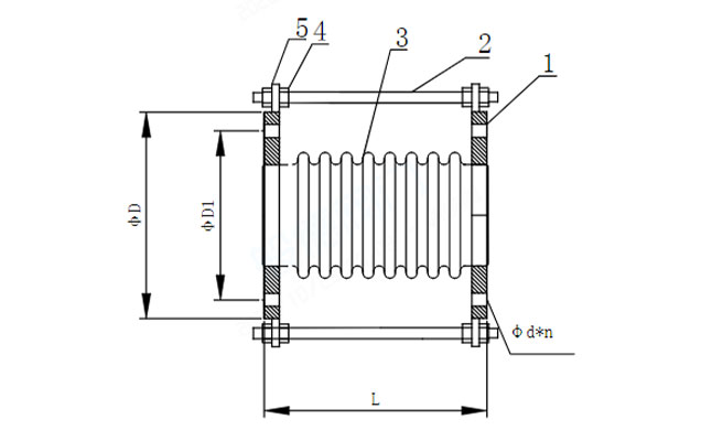
        名稱 1-法蘭 2-拉桿 3-波紋管
        材質及說明 Q235 Q235 304
        DN NPS L ΦD ΦD1 n-Φd
        50 2'' 170 150 120.5 4-18
        65 2  1/2'' 180 180 139.5 4-18
        80 3'' 200 190 152.5 4-18
        100 4'' 220 230 190.5 8-18
        125 5'' 280 255 216 8-22
        150 6'' 280 280 241.5 8-22
        200 8'' 340 345 298.5 8-22
        250 10'' 400 405 362 12-26
        300 12'' 420 485 432 12-26
        以上信息僅供參考,般德閥門保留更新最新設計的權利,如有疑問請您聯(lián)系在線客服。
        13821179269